FPM Group

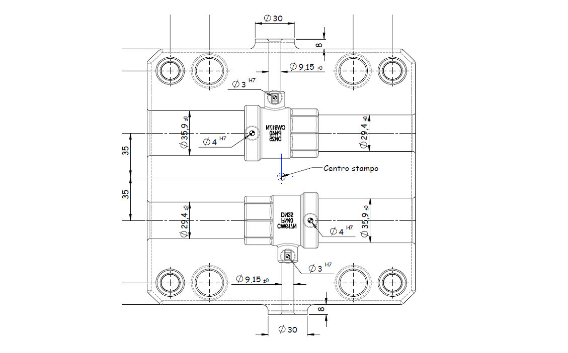
Forging Lines complete of Press, Furnace, Sawing Machine, Trimming Press, Moulds etc.

ID: 654

FPM Group Forging Lines complete of Press, Furnace, Sawing Machine, Trimming Press, Moulds etc. - Forging Lines (Turnkey Solutions for Complete Forging Lines) - 1

Details

One of the main advantages of our business model is the capability to offer full manufacturing lines, taking care of all phases of the realisation of forging and stamping plants from the feasibility study, going on with the engineering of the process, the manufacturing or integration of all the machines that compose the plant, the installation and the production start-up.

Our automatic lines are always designed on the specific and real manufacturing and financial needs, granting this way the desired productivity, reliability and cost-effectiveness of manufacturing.

The high professional skills of our engineers and the capability of execution of complex projects, turns for the customer into the certainty to take to the end the investment plans with good return on investment.

Interested?

Contact us for pricing.

Quote via WhatsApp